|
| Conoce las formas de conectar Leds para optimizar su eficiencia lumínica y consumo energético. |
Con la introducción de los LEDs de alta potencia y eficiencia lumínica, el reto de encontrar la mejor forma de conectarlos y suministrarles la suficiente tensión e intensidad para que funcionen plenamente es algo serio. Y más si hablamos de los modernos arreglos que usan 10, 20 y más de 80 LEDs de alto desempeño, usados en iluminación, que requieren un confiable y bien distribuido arreglo en sus dispositivos para energizarlos.
Tres formas de conectar Leds, usadas en dispositivos y circuitos actuales.
Las formas de conexión que vamos a encontrar en todo tipo de circuitos que usen un conjunto de LEds (mas de 2) son las siguientes:
- LEDs conectados en Paralelo.
- LEDs conetados en serie.
- LEDs conectados en serie-paralelo. tambien llamado Circuito Mixto.
Cada una de las conexiones de Leds antes mencionada, requiere una manera diferente de energizarse. No se puede tomar solo una fuente de voltaje y conectar cualquiera de estos arreglos esperando que funcionen igual. A continuación pongo los tres métodos de energización correspondientes a cada tipo de arreglo de conexión:
- Alimentación con un voltaje bajo pero con intensidad (Amperes) alta, para LEDs en circuito paralelo.
- Alimentación con un voltaje alto pero con intensidad baja (mili AMperes) para LEDs en circuito serie.
- Alimentación mixta donde predomina un voltaje alto pero intensidad alta. para LEDs en circuito Mixto.
Vamos a comenzar con la explicación de cada tipo de conexión y la manera en que se energiza:
Circuito de LEDs en paralelo y la manera de energizarlo.
Es la primera forma innata que se nos ocurre de conectar varios LEDS. Porque se ha usado desde el principio de los tiempos. Consta de conectar todos los ánodos (+) de los LEDS entre si, al igual que todos los cátodos (-), a la fuente de voltaje que los alimenta.
|
| Diagrama electrónico y ejemplo practico de un circuito paralelo con Leds. |
La manera en que energizar los circuitos LEDS en paralelo:
Un arreglo de LED´s en paralelo, requieren muy poca tensión (volts) para activar a todos sus elementos, apenas la necesaria que el fabricante del LED indique por cada uno. Que van desde el 1.1 Vcd para LEDs Infrarrojos, hasta 9 Vcd para Led de potencia.
|
| Circuito de Leds en paralelo con resistencias limitadoras de corriente. |
Pero el consumo de amperes (intensidad) es grande, pues la corriente que provenga de la fuente de poder, será dividida entre todos los LEDS del arreglo. Está claro que Entre más LEDs tenga dicho arreglo en paralelo, la fuente de alimentación debe proporcionar más amperes. Además: Para asegurar que cada LED en el arreglo, no supere los valores correctos de voltaje y corriente que necesita, típicamente se agrega una resistencia que limita un posible exceso de estos valores en ellos. De esta forma se pueden agregar Leds a cualquier circuito que pueda energizar un Led, aun si este proporciona mas tensión de la que el componente soportaría, siempre cuando la resistencia limitadora este bien calculada y convierta ese exceso de energía en calor.
|
| Derecha: voltaje usado en el circuito paralelo de LEDs. Izquierda: intensidad en mili amperes que requieren. |
Si la fuente que alimenta un arreglo de LEDs en paralelo, proporciona menos amperes o volts, de los requeridos por el conjunto de componentes, o se agregan más LEDs de los antes calculados para dicha fuente, Todo el conjunto reduce su intensidad lumínica.
Anuncio:
Pero si la fuente de alimentación, proporciona más volts o amperes de lo necesario, Los Leds no recibirán esa sobre carga, pues, como ya mencionamos, la resistencia limitadora que tiene cada uno de ellos, convertirá ese exceso de energía en calor, y será poco probable que los LEDs se dañen. Esto hace que el arreglo sea muy resistente a las variaciones de tensión.
Aplicaciones de LEDS en Paralelo:
Este arreglo de LEDS, se usa en indicadores analógicos y digitales de todo tipo como niveles de agua o temperatura, Vu metros de sonido luminosos, indicadores de carga para baterías, relojes, etc. Y pocas veces se emplea para arreglos de LEDs destinados a iluminación, pues las fuentes de poder que requieren, son grandes y algo costosas.
|
|
Vu metro en equipo de Sonido. Usa un circuito de LEDs en paralelo. |
Ventajas de conectar LEDS en Paralelo:
- Si un LED se daña, los demás continúan funcionando.
- El arreglo es más resistente a las variaciones de tensión y corriente.
- Se puede usar una fuente de alimentación que entregue mayor voltaje y corriente hasta cierto límite, gracias a que se agrega una resistencia limitadora que convertirá ese exceso, en calor.
Desventajas de conectar LEDs en Paralelo:
- Es costoso. Por la cantidad de componentes extras que se requieren.
- La fuente de voltaje que se requiere para este arreglo es relativamente más grande y también costosa.
- Produce más calor que otros arreglos.
Circuito de LEDs en serie y la manera de energizarlo.
|
|
Diagrama electrónico con un ejemplo de circuito serie con Leds. |
La manera de energizar LEDS en serie:
|
| Diagrama electrónico básico de un circuito serie con Leds. |
Por ejemplo:
Aplicaciones de LEDs en serie:
|
|
Tubo de ilutación con LED simple. Ejemplo de conexión en serie
con LEDs. |
Ventajas de conectar LEDS en serie:
- Realmente consumen muy poca energía eléctrica con excelente luminosidad.
- No usa componentes adicionales. Volviendo este arreglo de muy bajo costo.
- La fuente de poder que los alimenta es muy simple, pequeña y económica.
- No genera mucho calor.
Desventajas de conectar LEDS en serie:
- El circuito es muy susceptible a las variaciones de voltaje y corriente.
- NO se pueden remover o anexar Leds en un arreglo en serie.
- SI un LED falla, todo el circuito resulta afectado.
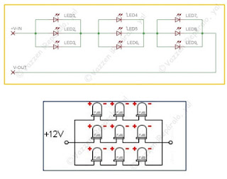
Circuito de LEDs Mixto y la manera de energizarlo.
|
|
Diagrama electrónico y ejemplo practico de un circuito mixto
(serie paralelo) con Leds. |
Solo diré que vas a encontrar este tipo de arreglos Mixtos de LEDs, en Tv´s modernas de mas de 40 pulgadas, series de navidad, luminarias y lámparas con mas de 40 Leds, algunos focos ahorradores, en otros casos.
Se aplica este arreglo solo cuando la cantidad de Leds sea muy grande, y los problemas de alimentación en ellos, supere a las características de cualquiera de los otros dos arreglos (serie y paralelo) O por que el tamaño o condición del proyecto sea especial, como en las lamparas Leds.
Resulta muy económico, si así lo decide el fabricante, usando una fuente como la que se emplea en el arreglo de LEDs serie. O muy caro si desean alimentarlo con una fuente de poder de buena calidad, como las requeridas por el circuito paralelo.
Cuando falla un LED solo el conjunto serie donde esté conectado resulta afectado. Y el resto de los conjuntos seguirá iluminando normalmente. Sin embargo, el Led dañado produce un cambio en los valores de voltaje del conjunto donde va conectado, causando un agotamiento prematuro en el resto de los componentes que inevitablemente fallaran en un corto lapso de tiempo.
En la imagen de abajo: Un LED dentro de un circuito mixto esta dañado con un corto circuito. El arreglo paralelo al que pertenece se ilumina mas por el exceso de voltaje y la intensidad sube hasta 70mA, cuando originalmente era de 40mA.
|
|
|
Se diseñan fuentes especiales con complejos circuitos controladores de tensión, corriente, protección de corto circuitos y mosfets para tratar de mantener el mejor equilibro para estos casos. Pero aun así, esta falla es la mas común en este tipo de arreglos. Y en el caso de equipos de líneas económicas, es pero. Pues simplemente se pone una fuente capacitiva mal calculada y sin ningún tipo de limitación o control y listo… Esto claro, asegura que la vida de dicho equipo no sea ni por mucho media vida de los Leds.
Anuncio:
¡En fin! Es un "circuito cuasimodo" que tiene suficientes beneficios como para que sea el favorito usado en iluminación trasera de Tv´s de mas de 40 pulgadas, lamparas y bombillos actuales.
Lo que si puedo decir con certeza: es que estos arreglos de LED Mixtos, serie-paralelo, son un equilibrio justo entre voltaje, corriente y fallas. Y eso solo lo agradecen las fuentes de poder que los alimentan. Porque tienen mejor rendimiento y bajo consumo de energía. Por eso se usan más y más. Aun con la infame falla que nace con el diseño mismo.
|
|
Serie de navidad con leds. El mejor ejemplo de un circuito
mixto. |
Esta información ha sido patrocinada por...
¡USTED!
Si desea ayudarme directamente para seguir publicando mas proyectos e información valiosa, puede convertirse en patrocinador estrella con una pequeña donación:
Aunque no debe sentirse obligado;
Solo con leer, comentar o compartir este material, ya me ayuda un montón.
Pero si desea apoyarme directamente...
¡Muchísimas Gracias!
Así seguirán siendo gratis para todos.











muchas gracias por la información y por toda la pagina esta magnifica.
ResponderBorrarExcelente explicación, gracias
ResponderBorrarSaludos, excelente información, acertado y congruente, felicidades y ánimo
ResponderBorrar